Vatn og Veitur er hluti af Fagkaup ehf./Opið í dag 07:30 - 17:00/575 9300

Verslanir

Fagkaup

Vatn og Veitur er hluti af Fagkaup ehf.
Kt. 670169-5459
Vsk. nr. 11784

Fréttabréf

Áskrifendur fá send tilboð og boð á viðburði beint í pósthólfið

Fyrirtækið

Um okkur
Reikningsviðskipti
Mínar síður
Þjónusta
Starfsfólk

Stefnur & skilmálar

Viðskiptaskilmálar
Persónuverndarstefna
Skilmálar og stefnur
Verklagsreglur og vottanir

Sími

575 9300

Fagkaup

Neysluvatnslagnir

/

Lím fittings

/

U-pvc nippil hné

/

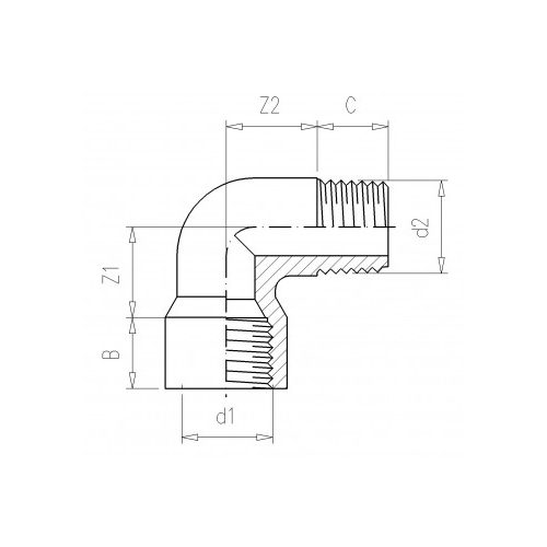
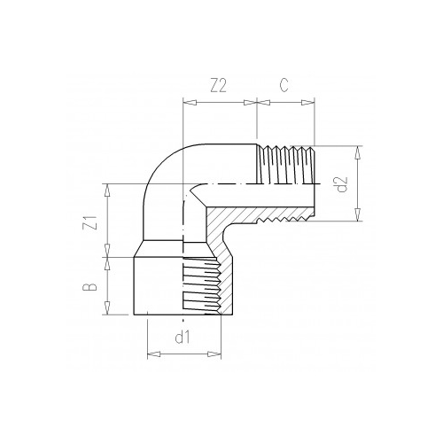
N. hné 1/2" x 1/2" pn10 upvc

N. Hné 1/2" x 1/2" PN10 UPVC
N. Hné 1/2" x 1/2" PN10 UPVC
N. Hné 1/2" x 1/2" PN10 UPVCN. Hné 1/2" x 1/2" PN10 UPVC

N. hné 1/2" x 1/2" pn10 upvc

E016093020
Magn í pakka 50

Vörulýsing

Nippil Múffu Hné
Stærð: 1/2" x 1/2"
Efni: PVC-U

Eiginleikar

Þvermál (d1)1/2 "
Þvermál (d2)1/2 "
Þrýstiþol (PN)10 Bar
Múffa (B)16 mm
Skrúfgangur (C)16 mm
Lengd (Z1)20.5 mm
Lengd (Z2)20.5 mm
Magn í pakkningu200
Beygja (a)90°
FlokkurLímd Rör og Fittings
GerðNippil Múffu Hné

Tengd skjöl

Sækja skrá

020124-VDL_ISO_Vottun.pdf

Sækja skrá

228-Nippil_Múffu_Hné_Uppl.pdf