Vatn og Veitur er hluti af Fagkaup ehf./Opið í dag 07:30 - 17:00/575 9300

Verslanir

Fagkaup

Vatn og Veitur er hluti af Fagkaup ehf.
Kt. 670169-5459
Vsk. nr. 11784

Fréttabréf

Áskrifendur fá send tilboð og boð á viðburði beint í pósthólfið

Fyrirtækið

Um okkur
Reikningsviðskipti
Mínar síður
Þjónusta
Starfsfólk

Stefnur & skilmálar

Viðskiptaskilmálar
Persónuverndarstefna
Skilmálar og stefnur
Verklagsreglur og vottanir

Sími

575 9300

Fagkaup

Neysluvatnslagnir

/

Lím fittings

/

U-pvc nippil hné

/

N. hné 3/4" x 3/4" pn10 upvc

N. Hné 3/4" x 3/4" PN10 UPVC
N. Hné 3/4" x 3/4" PN10 UPVC
N. Hné 3/4" x 3/4" PN10 UPVCN. Hné 3/4" x 3/4" PN10 UPVC

N. hné 3/4" x 3/4" pn10 upvc

E016093025
Magn í pakka 50

Vörulýsing

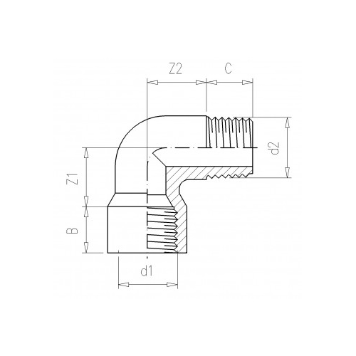
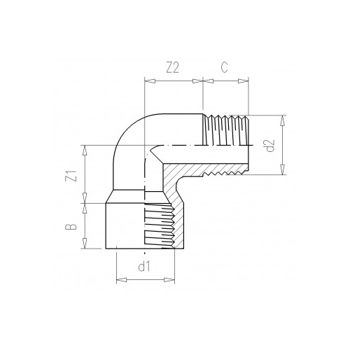
Nippil Múffu Hné
Stærð: 3/4" x 3/4"
Efni: PVC-U

Eiginleikar

Þrýstiþol (PN)10 Bar
Múffa (B)17 mm
Skrúfgangur (C)17 mm
Lengd (Z1)24.5 mm
Lengd (Z2)24.5 mm
Þvermál (d1)3/4 "
Þvermál (d2)3/4 "
Magn í pakkningu300
Beygja (a)90°
FlokkurLímd Rör og Fittings
GerðNippil Múffu Hné

Tengd skjöl

Sækja skrá

020124-VDL_ISO_Vottun.pdf

Sækja skrá

228-Nippil_Múffu_Hné_Uppl.pdf