Vatn og Veitur er hluti af Fagkaup ehf./Opið í dag 07:30 - 17:00/575 9300

Verslanir

Fagkaup

Vatn og Veitur er hluti af Fagkaup ehf.
Kt. 670169-5459
Vsk. nr. 11784

Fréttabréf

Áskrifendur fá send tilboð og boð á viðburði beint í pósthólfið

Fyrirtækið

Um okkur
Reikningsviðskipti
Mínar síður
Þjónusta
Starfsfólk

Stefnur & skilmálar

Viðskiptaskilmálar
Persónuverndarstefna
Skilmálar og stefnur
Verklagsreglur og vottanir

Sími

575 9300

Fagkaup

Neysluvatnslagnir

/

Lím fittings

/

U-pvc lok

/

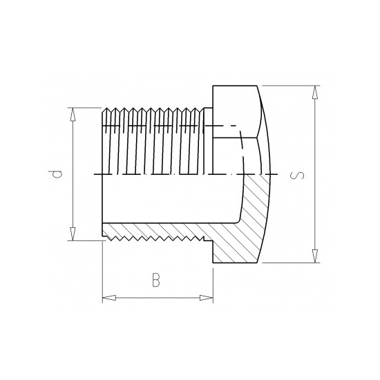
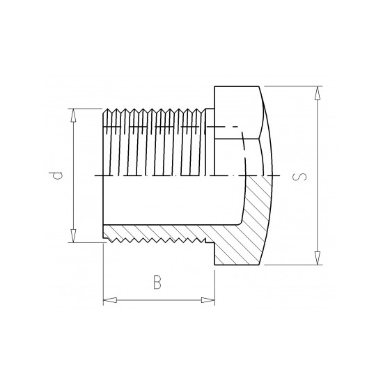
Sittaður tappi 1" upvc

Sittaður Tappi 1" UPVC
Sittaður Tappi 1" UPVC
Sittaður Tappi 1" UPVCSittaður Tappi 1" UPVC

Sittaður tappi 1" upvc

E0162903
Magn í pakka 100

Vörulýsing

Snittaður Tappi
Stærð: 1"
Efnisgerð: PVC-U

Eiginleikar

Þvermál (d)1"
Magn í pakkningu100
Þrýstiþol (PN)16 Bar
Lengd (B)21 mm
Þvermál Róar (S)36 mm
FlokkurLímd Rör og Fittings
GerðSnittaður Tappi

Tengd skjöl

Sækja skrá

050124-345_Snittadur Tappi.pdf

Sækja skrá

050124-VDL_ISO_Vottun.pdf