Vatn og Veitur er hluti af Fagkaup ehf./Opið í dag 07:30 - 17:00/575 9300

Verslanir

Fagkaup

Vatn og Veitur er hluti af Fagkaup ehf.
Kt. 670169-5459
Vsk. nr. 11784

Fréttabréf

Áskrifendur fá send tilboð og boð á viðburði beint í pósthólfið

Fyrirtækið

Um okkur
Reikningsviðskipti
Mínar síður
Þjónusta
Starfsfólk

Stefnur & skilmálar

Viðskiptaskilmálar
Persónuverndarstefna
Skilmálar og stefnur
Verklagsreglur og vottanir

Sími

575 9300

Fagkaup

Neysluvatnslagnir

/

Lím fittings

/

U-pvc lok

/

Sittaður tappi 11/4" upvc

Sittaður Tappi 11/4" UPVC
Sittaður Tappi 11/4" UPVC
Sittaður Tappi 11/4" UPVCSittaður Tappi 11/4" UPVC

Sittaður tappi 11/4" upvc

E0162904
Magn í pakka 100

Vörulýsing

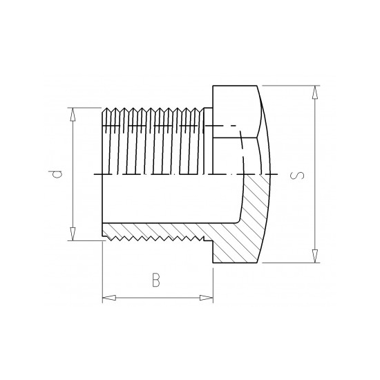
Snittaður Tappi
Stærð: 1 1/4"
Efnisgerð: PVC-U

Eiginleikar

Þvermál (d)1 1/4 "
Magn í pakkningu100
Þrýstiþol (PN)16 Bar
Lengd (B)23 mm
Þvermál Róar (S)46 mm
FlokkurLímd Rör og Fittings
GerðSnittaður Tappi

Tengd skjöl

Sækja skrá

050124-VDL_ISO_Vottun.pdf

Sækja skrá

050124-345_Snittadur Tappi.pdf