Vatn og Veitur er hluti af Fagkaup ehf./Opið í dag 07:30 - 17:00/575 9300

Verslanir

Fagkaup

Vatn og Veitur er hluti af Fagkaup ehf.
Kt. 670169-5459
Vsk. nr. 11784

Fréttabréf

Áskrifendur fá send tilboð og boð á viðburði beint í pósthólfið

Fyrirtækið

Um okkur
Reikningsviðskipti
Mínar síður
Þjónusta
Starfsfólk

Stefnur & skilmálar

Viðskiptaskilmálar
Persónuverndarstefna
Skilmálar og stefnur
Verklagsreglur og vottanir

Sími

575 9300

Fagkaup

Neysluvatnslagnir

/

Lím fittings

/

U-pvc flangsar og gúmmípk.

/

Flangshringur 140mm upvc

Flangshringur 140mm UPVC
Flangshringur 140mm UPVC
Flangshringur 140mm UPVCFlangshringur 140mm UPVC

Flangshringur 140mm upvc

E016321140
Magn í pakka 15

Vörulýsing

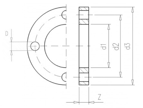
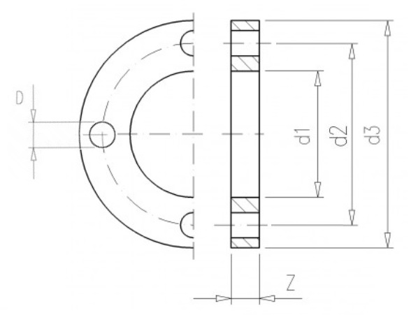
Flangshringur
Stærð: 140mm
Límt PVC

Eiginleikar

DN125mm
Þvermál140 mm
Þvermál (Dia)140mm
Stærð140mm
Magn í pakkningu15
Þvermál (d1)167mm
Þvermál (d2)210mm
Þvermál (d3)250mm
Lengd (Z)26mm
Boltar x Stærð bolta (#xD)8 boltar x 18mm
GerðFlansar og Gúmmípakkningar
FlokkurLímd Rör og Fittings

Tengd skjöl

Sækja skrá

VDL_ISO_Vottun.pdf

Sækja skrá

VDL_Installation.pdf