Vatn og Veitur er hluti af Fagkaup ehf./Opið í dag 07:30 - 17:00/575 9300

Verslanir

Fagkaup

Vatn og Veitur er hluti af Fagkaup ehf.
Kt. 670169-5459
Vsk. nr. 11784

Fréttabréf

Áskrifendur fá send tilboð og boð á viðburði beint í pósthólfið

Fyrirtækið

Um okkur
Reikningsviðskipti
Mínar síður
Þjónusta
Starfsfólk

Stefnur & skilmálar

Viðskiptaskilmálar
Persónuverndarstefna
Skilmálar og stefnur
Verklagsreglur og vottanir

Sími

575 9300

Fagkaup

Neysluvatnslagnir

/

Lím fittings

/

U-pvc unionar

/

Kragahulsa 200mm upvc

Kragahulsa 200mm UPVC
Kragahulsa 200mm UPVC
Kragahulsa 200mm UPVCKragahulsa 200mm UPVC

Kragahulsa 200mm upvc

E016372200
Magn í pakka 3

Þvermál

Vörulýsing

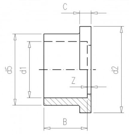
Kraghulsa
Stærð: 200mm
Límt PVC

Eiginleikar

Múffa (B)106mm
Skrúfgangur (C)19mm
Þvermál (d1)200mm
DN200mm
Stærð200mm
Þvermál (d5)232mm
Þvermál (d2)248mm
Magn í pakkningu3
Lengd (Z)7mm
FlokkurLímd Rör og Fittings
GerðUnionar

Tengd skjöl

Sækja skrá

VDL_Installation.pdf

Sækja skrá

VDL_ISO_Vottun.pdf