Vatn og Veitur er hluti af Fagkaup ehf./Opið í dag 07:30 - 17:00/575 9300

Verslanir

Fagkaup

Vatn og Veitur er hluti af Fagkaup ehf.
Kt. 670169-5459
Vsk. nr. 11784

Fréttabréf

Áskrifendur fá send tilboð og boð á viðburði beint í pósthólfið

Fyrirtækið

Um okkur
Reikningsviðskipti
Mínar síður
Þjónusta
Starfsfólk

Stefnur & skilmálar

Viðskiptaskilmálar
Persónuverndarstefna
Skilmálar og stefnur
Verklagsreglur og vottanir

Sími

575 9300

Fagkaup

Neysluvatnslagnir

/

Lím fittings

/

U-pvc fylgihlutir og festingar

/

Plastfestingar 32mm pe svart

Plastfestingar 32mm PE Svart
Plastfestingar 32mm PE Svart
Plastfestingar 32mm PE SvartPlastfestingar 32mm PE Svart

Plastfestingar 32mm pe svart

E01675032
Magn í pakka 10

Vörulýsing

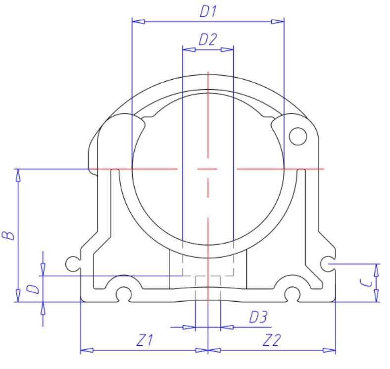
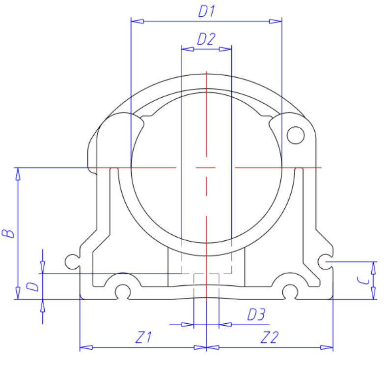
Rörafesting PP
Stærð: 32mm
Svört

Eiginleikar

Magn í pakkningu10
Þvermál (d2)10.5mm
Skrúfgangur (C)10mm
Þykkt (E)16mm
Lengd (Z1)24mm
Lengd (Z2)26.5mm
Múffa (B)31mm
Þvermál32 mm
Þvermál (d1)32mm
Stærð32mm
Þvermál (d3)5.5mm
Þvermál (D)6mm
GerðFylgihlutir og festingar
FlokkurLímd Rör og Fittings

Tengd skjöl

Sækja skrá

VDL_ISO_Vottun.pdf

Sækja skrá

VDL_Installation.pdf