Vatn og Veitur er hluti af Fagkaup ehf./Opið í dag 07:30 - 17:00/575 9300

Verslanir

Fagkaup

Vatn og Veitur er hluti af Fagkaup ehf.
Kt. 670169-5459
Vsk. nr. 11784

Fréttabréf

Áskrifendur fá send tilboð og boð á viðburði beint í pósthólfið

Fyrirtækið

Um okkur
Reikningsviðskipti
Mínar síður
Þjónusta
Starfsfólk

Stefnur & skilmálar

Viðskiptaskilmálar
Persónuverndarstefna
Skilmálar og stefnur
Verklagsreglur og vottanir

Sími

575 9300

Fagkaup

Stjórnbúnaður

/

Mælar

/

Hita og þrýstimælar

/

Hita og þrýstingsmælir 120° - 6 bör - niður

Hita og þrýstingsmælir 120° - 6 bör - Niður
Hita og þrýstingsmælir 120° - 6 bör - Niður
Hita og þrýstingsmælir 120° - 6 bör - NiðurHita og þrýstingsmælir 120° - 6 bör - Niður

Hita og þrýstingsmælir 120° - 6 bör - niður

E249081

Vörulýsing

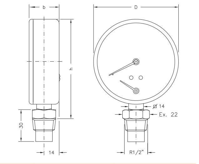
Hita- og þrýstingsmælir
Stærð: 80mm
Hitasvið: 0-120°C
Þrýstisvið: 0-6 bör
Skrúfgangur: Niður

Tengd skjöl

Sækja skrá

Cewal_E249081.pdf

Sækja skrá

Cewal_E249081_Vottun.pdf