Vatn og Veitur er hluti af Fagkaup ehf./Opið í dag 07:30 - 17:00/575 9300

Verslanir

Fagkaup

Vatn og Veitur er hluti af Fagkaup ehf.
Kt. 670169-5459
Vsk. nr. 11784

Fréttabréf

Áskrifendur fá send tilboð og boð á viðburði beint í pósthólfið

Fyrirtækið

Um okkur
Reikningsviðskipti
Mínar síður
Þjónusta
Starfsfólk

Stefnur & skilmálar

Viðskiptaskilmálar
Persónuverndarstefna
Skilmálar og stefnur
Verklagsreglur og vottanir

Sími

575 9300

Fagkaup

Stjórnbúnaður

/

Mælar

/

Þrýstimælar vökvafiltir

/

Vökvafylltur þrýstimælir 6 bör 63mm - niður

Vökvafylltur þrýstimælir 6 Bör 63mm - Niður
Vökvafylltur þrýstimælir 6 Bör 63mm - Niður
Vökvafylltur þrýstimælir 6 Bör 63mm - NiðurVökvafylltur þrýstimælir 6 Bör 63mm - Niður

Vökvafylltur þrýstimælir 6 bör 63mm - niður

E249123

Vörulýsing

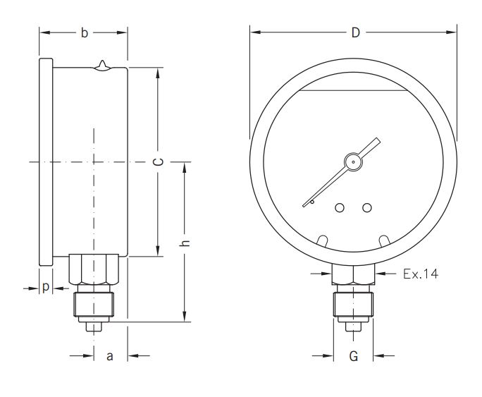
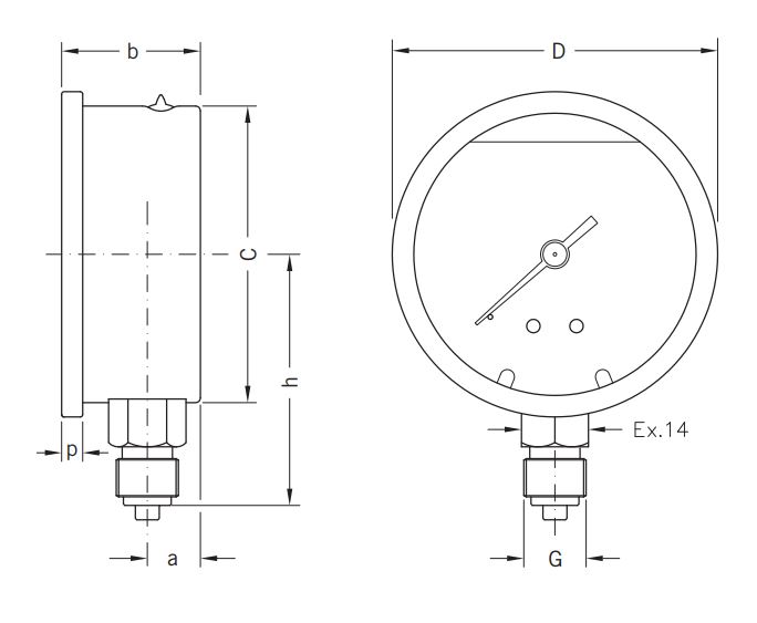
Vökvafylltur Þrýstimælir
Þrýstivið: 0-6bör
Stærð: 63mm
Skrúfgangur: Niður

Tengd skjöl

Sækja skrá

Cewal_E249123.pdf