Vatn og Veitur er hluti af Fagkaup ehf./Opið í dag 07:30 - 17:00/575 9300

Verslanir

Fagkaup

Vatn og Veitur er hluti af Fagkaup ehf.
Kt. 670169-5459
Vsk. nr. 11784

Fréttabréf

Áskrifendur fá send tilboð og boð á viðburði beint í pósthólfið

Fyrirtækið

Um okkur
Reikningsviðskipti
Mínar síður
Þjónusta
Starfsfólk

Stefnur & skilmálar

Viðskiptaskilmálar
Persónuverndarstefna
Skilmálar og stefnur
Verklagsreglur og vottanir

Sími

575 9300

Fagkaup

Neysluvatnslagnir

/

Pressefni ryðfrítt

/

Ryðfr.press té

/

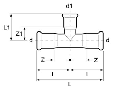
Té 54 x 35 x 54 ryðfrítt

Té 54 x 35 x 54 Ryðfrítt
Té 54 x 35 x 54 Ryðfrítt
Té 54 x 35 x 54 RyðfríttTé 54 x 35 x 54 Ryðfrítt

Té 54 x 35 x 54 ryðfrítt

E372131543554

Vörulýsing

Press Té
Stærð: 54 x 35 x 54 mm
Efnisgerð: Ryðfrítt stál

Tengd skjöl

Sækja skrá

Vimoter_Tæknileiðbeiningar.pdf

Sækja skrá

Vimoter_Ryðfr_Bæklingur.pdf