Vatn og Veitur er hluti af Fagkaup ehf./Opið í dag 07:30 - 17:00/575 9300

Verslanir

Fagkaup

Vatn og Veitur er hluti af Fagkaup ehf.
Kt. 670169-5459
Vsk. nr. 11784

Fréttabréf

Áskrifendur fá send tilboð og boð á viðburði beint í pósthólfið

Fyrirtækið

Um okkur
Reikningsviðskipti
Mínar síður
Þjónusta
Starfsfólk

Stefnur & skilmálar

Viðskiptaskilmálar
Persónuverndarstefna
Skilmálar og stefnur
Verklagsreglur og vottanir

Sími

575 9300

Fagkaup

Hreinlætistæki - fylgihlutir

/

Baðherbergi - fylgihlutir

/

Salerni

/

Tecelux mini hvítur snertifrír

TECElux Mini Hvítur Snertifrír
TECElux Mini Hvítur Snertifrír
TECElux Mini Hvítur Snertifrír
TECElux Mini Hvítur SnertifrírTECElux Mini Hvítur SnertifrírTECElux Mini Hvítur Snertifrír

Tecelux mini hvítur snertifrír

E399240960

Vörulýsing

TECElux Mini snertifrír hnappur
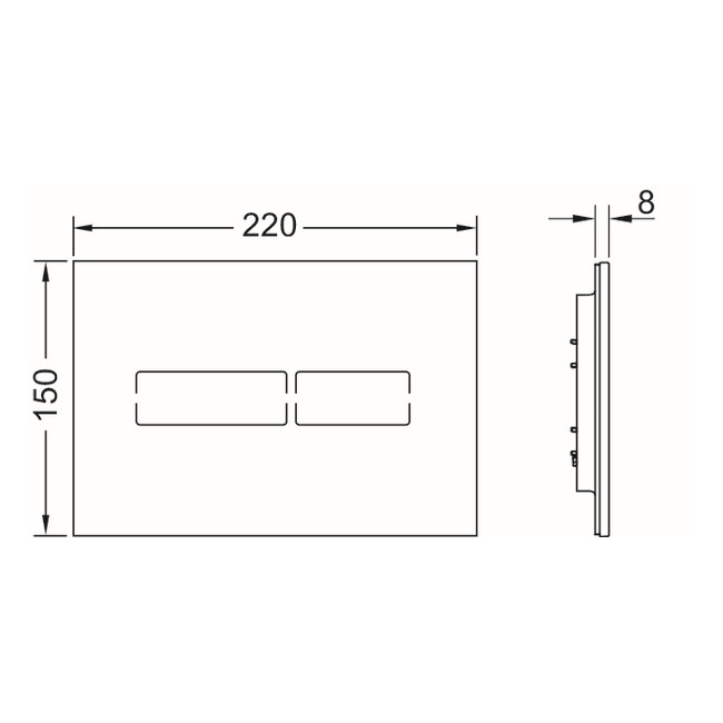
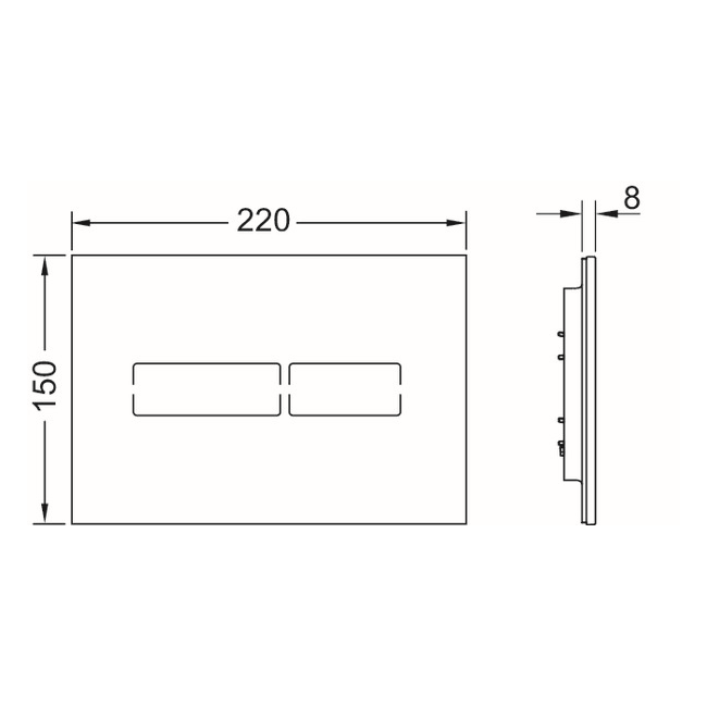
Stærð: 220x150x8mm
Litur: Hvítur

Electronic flush plate with touch-free actuation for TECE standard cisterns (installation depth 13 cm) with front actuation and actuation height of approx. 1 m (centre flush plate). Flat glass actuation including mounting materials and actuation motor for dual-flush. Suitable for flush-mounted installation. Compatible with insert chute for cleaning tablets.

Function of the electronics:
The sensor detects when a person is approaching the toilet, and only illuminates the flush buttons then. The flush actuation is touch-free or by touching the button area. By programming with the TECElux Mini programming remote control (Order No. 9240971), the electronics can be adjusted to individual requirements.

Programmable functions (with programming remote control):

- Sensor recognition field
- Hygiene flush
- Actuation time
- Safety flush
- Display illumination brightness

Tengd skjöl

Sækja skrá

E39240960-Datasheet.pdf

Sækja skrá

E39240960-Installation.pdf

Fleiri vörur

TECElux Mini Svartur Snertifrír

TECElux Mini Svartur Snertifrír

E399240961